빠른 배송
30일 급행 배송



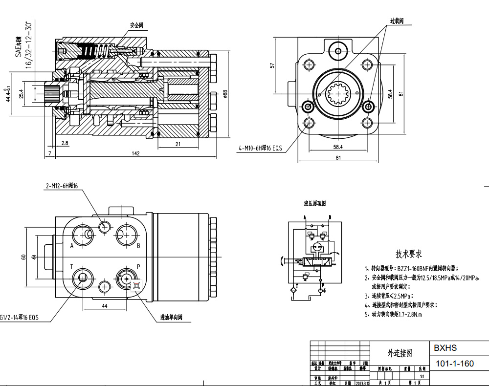
101-1-160 스티어링 유닛은 160 ml/r의 변위량을 가진 견고하고 신뢰할 수 있는 유압 스티어링 부품으로, 건설, 농업, 자재 운반 및 산업용 차량의 다양한 응용 분야를 위해 설계되었습니다. 최대 17.5 MPa의 입력 압력과 최적의 성능을 위한 맞춤형 밸브 블록이 특징입니다. 당사는 제조, OEM, ODM 및 도매 서비스를 제공합니다.
| 10 시리즈 스티어링 유닛 Parameters | |
|---|---|
| 변위 | 50 ml/r, 63 ml/r, 100 ml/r, 80 ml/r, 125 ml/r, 160 ml/r, 200 ml/r, 250 ml/r, 280 ml/r, 315 ml/r, 400 ml/r |
| 재질 | 주철 |
| 정격 유량 | 5 L/min, 6 L/min, 8 L/min, 10 L/min, 12.5 L/min, 16 L/min, 20 L/min, 25 L/min, 28 L/min, 31.5 L/min, 40 L/min |
| 밸브 블록 | 사용자 정의 가능 |
| 최대 연속 배압 | 2.5 Mpa |
| 최대 입력 압력 | 17.5 Mpa |
101-1-160 스티어링 유닛은 긴 서비스 수명을 위해 견고한 주철로 제작된 고성능 유압 스티어링 유닛입니다. 160 ml/r의 변위량은 효율적인 스티어링 제어를 제공하며, 17.5 MPa의 최대 입력 압력은 까다로운 조건에서도 안정적인 작동을 보장합니다. 2.5 MPa의 최대 연속 배압은 견고성을 더합니다. 16 L/min의 정격 유량은 반응성이 뛰어난 스티어링을 제공합니다. 주요 특징은 맞춤형 밸브 블록으로, 특정 응용 분야 요구 사항을 충족하도록 맞춤형 구성을 가능하게 합니다. 이를 통해 이 유닛은 지게차, 미니 굴착기, 스키드 로더, 소형 휠 로더, 트랙터 및 프론트 엔드 로더, 텔레스코픽 핸들러, 백호 로더, 덤퍼, 수확기 및 베일러를 포함한 광범위한 기계에 적합합니다. 당사는 완벽한 제조 능력과 OEM, ODM 및 도매 서비스를 제공하며, 시장 점유율 확대를 위해 전 세계적으로 유통업체, 도매업체, 대리점 및 무역 파트너를 적극적으로 찾고 있습니다. 오늘 저희에게 연락하여 귀하의 특정 요구 사항을 논의하고 맞춤화 옵션을 살펴보십시오.



