빠른 배송
30일 급행 배송



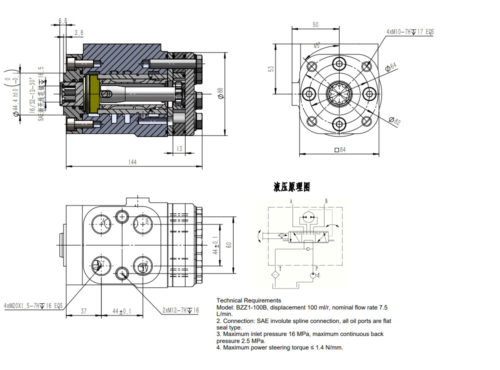
BZZ1-E100C 조향 장치는 100 ml/회전의 변위량을 가지는 견고하고 맞춤 제작 가능한 유압 부품으로, 자재 운반, 건설, 농업 및 산업 차량의 다양한 응용 분야를 위해 설계되었습니다. 최대 16 MPa의 입력 압력과 내구성을 위한 주철 구조를 특징으로 합니다. 당사는 전 세계적으로 제조, OEM, ODM 및 도매 옵션을 제공합니다.
| BZZ1 시리즈 스티어링 유닛 Parameters | |
|---|---|
| 변위 | 50 ml/r, 63 ml/r, 100 ml/r, 80 ml/r, 125 ml/r, 160 ml/r, 200 ml/r, 250 ml/r, 280 ml/r, 315 ml/r, 400 ml/r, 500 ml/r, 630 ml/r, 800 ml/r, 1000 ml/r |
| 밸브 블록 | 사용자 정의 가능 |
| 재질 | 주철 |
| 정격 유량 | 5 L/min, 6 L/min, 4 L/min, 7.5 L/min, 9.5 L/min, 12 L/min, 15 L/min, 19 L/min, 21 L/min, 24 L/min, 30 L/min, 38 L/min, 48 L/min, 60 L/min, 75 L/min |
| 최대 연속 배압 | 2.5 Mpa |
| 최대 입력 압력 | 16 Mpa |
BZZ1-E100C는 광범위한 응용 분야에 이상적인 고성능 유압 조향 장치입니다. 주요 특징은 다음과 같습니다:
* **고압 기능:** 최대 16 MPa의 입력 압력으로 까다로운 작동 조건을 처리합니다.
* **내구성 있는 구조:** 주철 재료는 장기적인 신뢰성과 마모에 대한 저항을 보장합니다.
* **맞춤형 밸브 블록:** 특정 응용 분야 요구 사항을 충족하도록 맞춤형 구성을 허용하여 유연성과 효율성을 향상시킵니다.
* **높은 유량:** 정격 유량 7.5 L/분은 반응성 있고 부드러운 조향 작동을 제공합니다.
* **다용도 응용 분야:** 지게차, 텔레스코픽 핸들러, 스키드 스티어 로더, 소형 휠 로더, 미니 굴착기, 트랙터, 수확기 및 베일러를 포함한 다양한 장비 유형에 적합합니다.
* **글로벌 도달 범위:** 당사는 전 세계 유통업체, 딜러 및 대리점에 제조, OEM, ODM 및 도매 서비스를 제공합니다. 당사는 고품질 제품과 탁월한 고객 서비스를 제공하기 위해 최선을 다하고 있습니다. 특정 요구 사항을 논의하고 잠재적 파트너십을 탐색하려면 당사에 문의하십시오.



