빠른 배송
30일 급행 배송



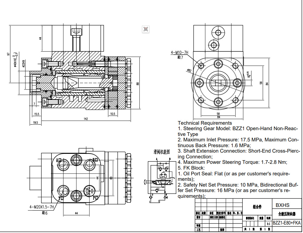
BZZ1-E80+FKA 유압 스티어링 유닛은 최대 입력 압력 16 MPa의 견고하고 맞춤 가능한 80ml/r 변위 유닛입니다. 자재 취급, 건설, 농업 및 산업용 차량의 다양한 응용 분야에 이상적이며, 6 L/min의 정격 유량으로 안정적인 조향 제어를 제공합니다. 주철로 제조되었으며, 맞춤형 밸브 블록을 통해 맞춤형 성능을 제공합니다. 제조, OEM, ODM 및 도매 옵션을 제공합니다.
| BZZ1 시리즈 스티어링 유닛 Parameters | |
|---|---|
| 변위 | 50 ml/r, 63 ml/r, 100 ml/r, 80 ml/r, 125 ml/r, 160 ml/r, 200 ml/r, 250 ml/r, 280 ml/r, 315 ml/r, 400 ml/r, 500 ml/r, 630 ml/r, 800 ml/r, 1000 ml/r |
| 밸브 블록 | 사용자 정의 가능 |
| 재질 | 주철 |
| 정격 유량 | 5 L/min, 6 L/min, 4 L/min, 7.5 L/min, 9.5 L/min, 12 L/min, 15 L/min, 19 L/min, 21 L/min, 24 L/min, 30 L/min, 38 L/min, 48 L/min, 60 L/min, 75 L/min |
| 최대 연속 배압 | 2.5 Mpa |
| 최대 입력 압력 | 16 Mpa |
BZZ1-E80+FKA 유압 스티어링 유닛은 광범위한 기계에 정밀하고 강력한 조향 제어를 제공합니다. 고압 기능(16 MPa)은 무거운 하중에서도 안정적인 작동을 보장합니다. 80 ml/r 변위 및 6 L/min 정격 유량은 효율적인 조향 반응을 제공합니다. 견고한 주철 구조는 까다로운 환경에서 내구성과 수명을 보장합니다. 맞춤형 밸브 블록은 특정 애플리케이션 요구 사항을 충족하는 맞춤형 솔루션을 허용하여 성능과 효율성을 최적화합니다. 당사는 제조, OEM(주문자 상표 부착 생산), ODM(제조자 개발 생산) 및 도매 옵션을 포함한 유연한 비즈니스 모델을 제공하여 특정 요구 사항을 충족하는 맞춤형 솔루션 및 대량 주문을 가능하게 합니다. 당사는 전 세계적으로 유통업체, 도매업체, 에이전트 및 무역 회사를 적극적으로 찾고 있습니다. 귀하의 요구 사항을 논의하고 잠재적 파트너십을 모색하려면 당사에 문의하십시오.



