빠른 배송
30일 급행 배송



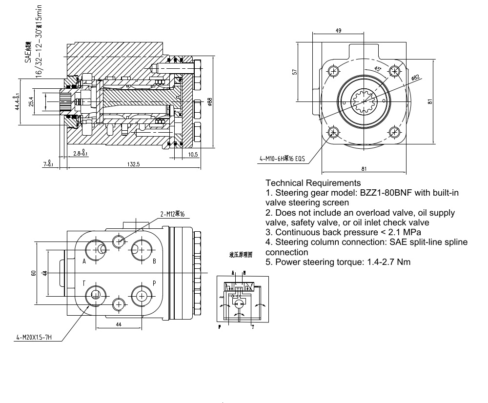
BZZ1-E80AS 유압 조향 장치는 자재 취급, 건설 및 산업용 차량의 광범위한 응용 분야를 위해 설계된 견고하고 맞춤형 구성 요소입니다. 80 ml/r의 변위와 16 MPa의 최대 입력 압력으로 안정적이고 효율적인 조향 제어를 제공합니다. 주철 구조는 내구성을 보장하며, 맞춤형 밸브 블록은 특정 요구 사항을 충족하기 위한 맞춤형 솔루션을 가능하게 합니다.
| BZZ1 시리즈 스티어링 유닛 Parameters | |
|---|---|
| 변위 | 50 ml/r, 63 ml/r, 100 ml/r, 80 ml/r, 125 ml/r, 160 ml/r, 200 ml/r, 250 ml/r, 280 ml/r, 315 ml/r, 400 ml/r, 500 ml/r, 630 ml/r, 800 ml/r, 1000 ml/r |
| 밸브 블록 | 사용자 정의 가능 |
| 재질 | 주철 |
| 정격 유량 | 5 L/min, 6 L/min, 4 L/min, 7.5 L/min, 9.5 L/min, 12 L/min, 15 L/min, 19 L/min, 21 L/min, 24 L/min, 30 L/min, 38 L/min, 48 L/min, 60 L/min, 75 L/min |
| 최대 연속 배압 | 2.5 Mpa |
| 최대 입력 압력 | 16 Mpa |
BZZ1-E80AS 조향 장치는 내구성이 뛰어난 주철로 제작되어 오래 사용할 수 있는 고성능 유압 부품입니다. 80 ml/r의 변위와 16 MPa의 최대 입력 압력은 까다로운 조건에서도 강력하고 반응성이 뛰어난 조향 제어를 제공합니다. 이 장치는 2.5 MPa의 최대 연속 배압과 6 L/min의 정격 유량을 자랑하며 일관된 성능을 보장합니다. 핵심적인 장점은 맞춤형 밸브 블록으로, 다양한 응용 분야의 정확한 요구 사항을 충족하기 위한 맞춤형 구성을 가능하게 합니다. 이러한 유연성은 OEM 및 ODM 프로젝트뿐만 아니라 다양한 산업에 맞춤형 솔루션을 제공하는 데 이상적입니다. 이 장치는 지게차, 텔레핸들러, 스키드 스티어 로더, 소형 휠 로더, 미니 및 미디 굴삭기, 백호 로더를 포함한 다양한 기계 유형에 적용됩니다. 견고한 설계와 안정적인 성능은 고품질 유압 조향 부품을 찾는 제조업체에게 비용 효율적인 솔루션입니다. 당사는 제조, OEM, ODM, 맞춤화 및 도매 서비스를 제공하며, 전 세계적으로 유통업체, 도매업체, 에이전트 및 트레이더를 적극적으로 찾고 있습니다.



