빠른 배송
30일 급행 배송



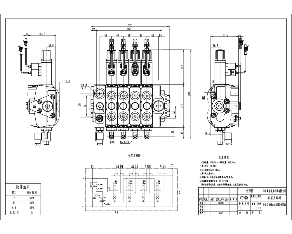
HSDLS180은 전기 언로딩 기능을 갖춘 견고한 수동 4스풀 섹셔널 방향 제어 유압 밸브로, 자재 운반, 건설, 농업 및 산업용 차량의 고유량, 고압 응용 분야를 위해 설계되었습니다. 까다로운 환경에서 안정적인 제어와 내구성을 제공합니다.
| SDS180 시리즈 구역 방향 밸브 Parameters | |
|---|---|
| 스풀 | 1 스풀, 3 스풀, 4 스풀, 5 스풀, 6 스풀, 7 스풀 |
| 제어 방식 | 수동, 유압 |
| 포트 크기 | G3/4, G1, SAE 12 |
| 섹션 | 1 섹션, 2 섹션, 3 섹션, 4 섹션, 5 섹션, 6 섹션, 7 섹션, 8 섹션, 9 섹션, 10 섹션 |
| 주변 온도 범위 | -40°C to +80°C (-40°F to +176°F) |
| 작동 점도 범위 | 12 - 400 mm²/s (12 cSt to 400 cSt) |
| 출구 포트 | G1, SAE 16 |
| 최대 압력 | 350바 (5100 psi) |
| 정격 유량 | 분당 160리터 (42.2 US gpm) |
| 구조 유형 | 섹션 밸브 |
| 입구 포트 | G3/4, G1, SAE 12 |
HSDLS180-전기 언로딩 밸브 수동 4 스풀 섹셔널 방향 제어 밸브는 유압 시스템의 정밀하고 강력한 제어가 필요한 광범위한 응용 분야에 이상적인 고성능 유압 부품입니다. 주요 기능은 다음과 같습니다:
* 높은 유량: 160 L/min (42.2 US gpm)으로 무거운 하중에서도 효율적인 작동을 보장합니다.
* 높은 압력 저항: 최대 350 bar (5100 psi)의 압력 등급은 까다로운 조건에서 안정적인 성능을 보장합니다.
* 넓은 점도 범위: 밸브는 12 ~ 400 mm²/s (12 cSt ~ 400 cSt) 범위의 유체로 효과적으로 작동합니다.
* 견고한 구조: -40°C ~ +80°C (-40°F ~ +176°F)의 작동 온도 범위로 가혹한 환경을 견딜 수 있도록 제작되었습니다.
* 수동 제어: 수동 작동을 통한 간단하고 직관적인 조작.
* 전기 언로딩: 유압 시스템의 빠르고 쉬운 언로딩을 용이하게 합니다.
* 4개 섹션: 4가지 유압 기능의 독립적인 제어를 가능하게 합니다.
* 섹셔널 밸브 설계: 모듈식 구성과 손쉬운 유지보수를 제공합니다.
응용 분야: HSDLS180은 다음을 포함한 다양한 응용 분야에 완벽하게 적합합니다:
* 자재 운반: 지게차, 텔레핸들러 및 기타 자재 운반 장비.
* 건설 및 토공: 스키드 스티어 로더, 소형 휠 로더, 휠 로더, 백호 로더.
* 농업: 트랙터, 수확기, 베일러 및 기타 농업 기계.
* 산업용 차량: 정밀한 유압 제어가 필요한 다양한 산업용 기계.
저희는 이 밸브에 대한 제조, OEM, 개인 라벨링, 맞춤 제작 및 도매 서비스를 제공합니다. 시장 확대를 위해 전 세계의 유통업체, 도매업체, 에이전트 및 무역 파트너를 적극적으로 찾고 있습니다. 귀하의 특정 요구 사항을 논의하고 파트너십 기회를 모색하기 위해 당사에 문의하십시오.



