빠른 배송
30일 급행 배송



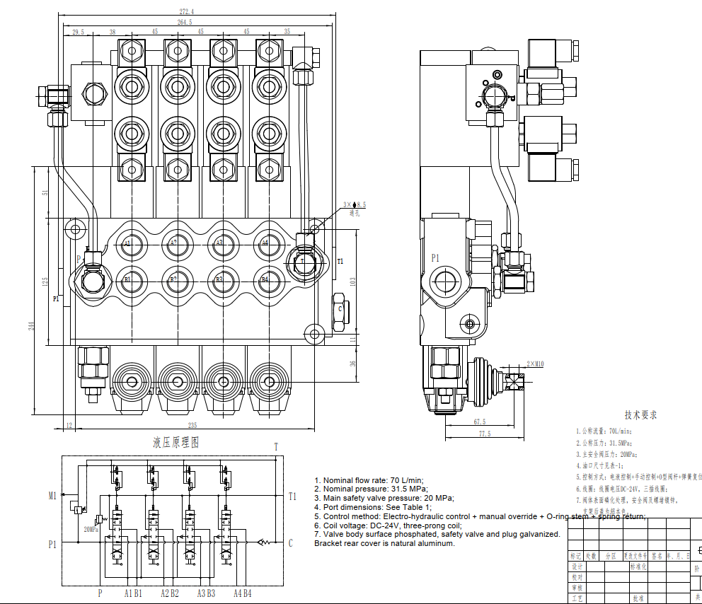
SD11-PG2는 70 L/min 및 315 bar 정격의 고성능 전기 유압식 4스풀 모노블록 방향 제어 밸브입니다. 자재 취급, 건설, 농업 및 산업용 차량의 광범위한 응용 분야에 이상적인 이 견고한 밸브는 까다로운 환경에서 안정적인 제어와 정밀한 작동을 제공합니다.
| SD11 시리즈 모노블럭 방향 제어 밸브 Parameters | |
|---|---|
| 제어 방식 | 수동, 공압, 전기 공압, 전기 유압, 솔레노이드, 유압, 유압 및 수동, 케이블, 조이스틱, 전기 |
| 스풀 | 1 스풀, 2 스풀, 3 스풀, 4 스풀, 5 스풀 |
| 정격 유량 | 분당 70리터 (18.5 US gpm) |
| 최대 압력 | 315바 (4600 psi) |
| 입구 포트 | G3/4, SAE 12 |
| 출구 포트 | G3/4, SAE 12 |
| 포트 크기 | G3/4, SAE 12 |
| 섹션 | 1 섹션, 2 섹션, 3 섹션, 4 섹션, 5 섹션, 6 섹션, 7 섹션 |
| 구조 유형 | 모노블록 밸브 |
| 주변 온도 범위 | -40°C to +60°C (-40°F to +140°F) |
| 작동 점도 범위 | 15 - 75 mm²/s (15 cSt to 75 cSt) |
SD11-PG2 전기 유압 4스풀 모노블록 방향 제어 밸브는 까다로운 응용 분야를 위해 설계된 고성능 유압 제어 부품입니다. 모노블록 구조는 높은 강도와 신뢰성을 보장하며, 전기 유압 제어는 정밀하고 반응성 있는 작동을 제공합니다. 70 L/min의 정격 유량과 315 bar의 최대 압력을 갖추고 있어 다양한 이동식 장비에 적합합니다. 넓은 작동 점도 범위(15-75 mm²/s)와 주변 온도 범위(-40°C ~ +60°C)는 다양한 작동 조건에 적응할 수 있도록 합니다. 4스풀 설계는 다목적 제어 기능을 제공하여 다양한 유압 회로에 적합합니다. 이 밸브는 지게차, 텔레스코픽 핸들러, 스키드 스티어 로더, 소형 휠 로더, 미니 굴삭기, 트랙터, 수확기 및 베일러에 OEM 통합하기에 이상적입니다. 컴팩트한 설계, 견고한 구조 및 신뢰할 수 있는 성능은 기계의 효율성과 생산성을 향상시키는 비용 효율적인 솔루션이 됩니다. 당사는 제조, OEM, 개인 라벨링, 맞춤 제작 및 도매 옵션을 제공하며, 전 세계적으로 유통업체, 도매업체, 에이전트 및 무역 파트너를 적극적으로 찾고 있습니다.



